专利头部
您好,欢迎来到紫慧网! 请登录 注册
紫慧专利登记交易网
账号:
密码:
重复密码:
手机号:
紫慧专利登记交易网用户注册协议和隐私政策

紫慧专利登记交易网用户注册协议

       本协议是您与紫慧网(http://www.fjzhip.com/)之间就紫慧网网站服务等相关事宜所订立的契约,请您仔细阅读本协议,当您访问和/或使用本网站,即表示接受并同意本协议的所有条件和条款。福建紫慧信息技术有限公司(以下简称“福建紫慧”)作为紫慧网(http://www.fjzhip.com/)的运营者,所提供的各项服务的所有权和运作权均归福建紫慧所有。
       福建紫慧有权对本协议条款进行修改,修改后的协议一旦公布即有效代替原来的协议。用户可随时查阅最新协议。您如果不同意协议条款的修改,可以主动取消已经获得的服务;如果您继续使用服务,即视为您已经接受协议条款的修改。
        一、服务内容
       1、紫慧网网站服务,是指福建紫慧及其子公司、分公司或关联公司经营的一款网络服务产品(包括但不限于福建紫慧经营的网页、电脑端及移动端等产品及其更新产品),紫慧网通过互联网络依法为用户提供互联网信息等服务。
       2、用户必须自行准备如下设备和承担如下开支:(1)上网设备,包括并不限于电脑或者其他上网终端、调制解调器及其他上网装置;(2)上网开支,包括并不限于网络接入费、上网设备租用费、手机流量费等。
       3、用户提供的注册资料,用户同意:(1)提供合法、真实、准确、详尽的个人资料;(2)如有变动,及时更新用户资料。如果用户提供的注册资料不合法、不真实、不准确、不详尽的,用户需承担因此引起的相应责任及后果,并且福建紫慧保留终止用户使用紫慧网各项服务的权利。
       二、服务的提供、修改及终止
       1、用户在接受紫慧网各项服务的同时,同意接受紫慧网提供的各类信息服务。用户在此授权福建紫慧可以向其电子邮件、手机、通信地址等发送商业信息。用户有权选择不接受紫慧网提供的各类信息服务,并进入紫慧网相关页面进行更改。
       2、紫慧网以现有的技术和条件向用户/会员提供服务,并尽最大努力保证您所浏览的商品/服务信息的准确性,但由于众所周知的互联网技术因素等客观原因存在,本网站显示的信息可能会有一定的滞后性或差错,对此情况请您知悉并理解。最终交易服务以双方建立的合同关系为准。
       3、紫慧网保留随时修改或中断服务而不需通知用户的权利。紫慧网有权行使修改或中断服务的权利,不需对用户或任何无直接关系的第三方负责。
       4、用户对本协议的修改有异议,或对紫慧网的服务不满,可以行使如下权利:
      (1)停止使用紫慧网的网络服务;
      (2)通过顾问等渠道告知紫慧网停止对其服务。结束服务后,用户使用紫慧网络服务的权利立即终止。在此情况下,紫慧网没有义务传送任何未处理的信息或未完成的服务给用户或任何无直接关系的第三方。
        三、用户信息的保密
       1、本协议所称之紫慧网用户信息是指符合法律、法规及相关规定,并符合下述范围的信息:
       (1)用户注册紫慧网时,向紫慧网提供的个人信息;
       (2)用户在使用紫慧网服务或访问网站网页时,紫慧网自动接收并记录的用户浏览器端或手机客户端数据,包括但不限于IP地址、网站Cookie中的资料及用户要求取用的网页记录;
       (3)其它紫慧网通过合法途径获取的用户个人信息。
       2、紫慧网承诺:
       非经法定原因或用户事先许可,紫慧网不会向任何第三方透露用户的密码、姓名、手机号码等非公开信息。
       3、在下述法定情况下,用户的个人信息将会被部分或全部披露:
       (1)经用户同意向用户本人或其他第三方披露;
       (2)根据法律、法规等相关规定,或行政机构要求,向行政、司法机构或其他法律规定的第三方披露;
       (3)其它紫慧网根据法律、法规等相关规定进行的披露。
        四、用户信息
       1、用户的用户名、密码和安全性
       (1)用户选择成为紫慧网注册用户的,可自行创建、修改昵称。用户名和昵称的命名及使用应遵守相关法律法规并符合网络道德。用户名和昵称中不能含有任何侮辱、威胁、淫秽、谩骂等侵害他人合法权益的文字。
       (2)用户有义务妥善保管紫慧网账号、用户名和密码,用户将对用户名和密码安全负全部责任。因用户原因导致用户名或密码泄露而造成的任何法律后果由用户本人负责。
       (3)用户有权修改其个人账户中各项可修改信息,自行选择昵称和录入介绍性文字,自行决定是否提供非必填项的内容;
       2、用户有权根据紫慧网网站规定,享受紫慧网提供的其它各类服务。
       3、用户义务
       (1)不得利用本站危害国家安全、泄露国家秘密,不得侵犯国家社会集体的和公民的合法权益,不得利用本站制作、复制和传播下列信息:
       1)煽动抗拒、破坏宪法和法律、行政法规实施的;
       2)煽动颠覆国家政权,推翻社会主义制度的;
       3)煽动分裂国家、破坏国家统一的;
       4)捏造或者歪曲事实,散布谣言,扰乱社会秩序的;
       5)宣扬封建迷信、淫秽、色情、赌博、暴力、凶杀、恐怖、教唆犯罪的;
       6)公然侮辱他人或者捏造事实诽谤他人的,或者进行其他恶意攻击的;
       7)损害国家机关信誉的;
       8)其他违反宪法和法律行政法规的;
       9)进行商业广告行为的。
       (2)用户不得通过任何手段恶意注册紫慧网站帐号,包括但不限于以牟利、炒作、套现、获奖等为目的多个账号注册。用户亦不得盗用其他用户帐号。
       如用户违反上述规定,则紫慧网有权直接采取一切必要的措施,包括但不限于删除用户发布的内容、暂停或查封用户帐号等措施。
       (3)禁止用户将紫慧网以任何形式作为从事各种非法活动的场所、平台或媒介。未经紫慧网的授权或许可,用户不得借用本站的名义从事任何商业活动,也不得以任何形式将紫慧网作为从事商业活动的场所、平台或媒介。
       (4)用户在紫慧网以各种形式发布的一切信息,均应符合国家法律法规等相关规定及网站相关规定,符合社会公序良俗,并不侵犯任何第三方主体的合法权益,否则用户自行承担因此产生的一切法律后果,且紫慧因此受到的损失,有权向用户追偿。
        五、知识产权及其它权利
       1、任何用户接受本协议,即表明该用户主动将其在任何时间段在本站发表的任何形式的信息的著作财产权,包括并不限于:复制权、发行权、出租权、展览权、表演权、放映权、广播权、信息网络传播权、摄制权、改编权、翻译权、汇编权等,以及应当由著作权人享有的其他可转让权利无偿独家转让给紫慧网运营商所有,同时表明该用户许可紫慧网有权利就任何主体侵权而单独提起诉讼,并获得全部赔偿。本协议已经构成《著作权法》第二十五条所规定的书面协议,其效力及于用户在紫慧网发布的任何受著作权法保护的作品内容,无论该内容形成于本协议签订前还是本协议签订后。
       2、福建紫慧是紫慧网的制作者,拥有此网站内容及资源的版权,受国家知识产权保护,享有对本网站各种协议、声明的修改权;未经紫慧的明确书面许可,任何第三方不得为任何非私人或商业目的获取或使用本网站的任何部分或通过本网站可直接或间接获得的任何内容、服务或资料。任何第三方违反本协议的规定以任何方式,和/或以任何文字对本网站的任何部分进行发表、复制、转载、更改、引用、链接、下载或以其他方式进行使用,或向任何其他第三方提供获取本网站任何内容的渠道,则对本网站的使用权将立即终止,且任何第三方必须按照本公司的要求,归还或销毁使用本网站任何部分的内容所创建的资料的任何副本。
       3、福建紫慧有权删除紫慧网站内各类不符合法律或协议规定的内容,而保留不通知用户的权利。
       六、适用法律和裁判地点
       1、因用户使用紫慧网站而引起或与之相关的一切争议、权利主张或其它事项,均受中华人民共和国法律的管辖。
       2、用户和紫慧网发生争议的,应首先本着诚信原则通过协商加以解决。如果协商不成,则应向福建紫慧所在地人民法院提起诉讼。
       七、责任限制及不承诺担保
       除非有明确的书面说明,本网站及其所包含的或以其他方式方式通过本网站提供给您的全部信息、内容和服务均是在“现状”、“现有”的基础上提供的,除非另有明确的书面说明,福建紫慧不对本网站的运营及包含在本网站上的信息、内容和服务做任何形式、明示或默示的声明或担保。如因不可抗力或其他本网站无法控制的原因使本站系统崩溃或无法正常使用导致丢失有关信息、记录等,紫慧网会合理地尽力协助处理善后事宜。
       八、特别提醒
       紫慧网在此依法做出特别声明如下:本协议内容中以黑体、加粗、下划线等方式显著标识的条款,请用户着重阅读。您点击本协议下方的“同意以下协议,提交”按钮即视为您完全接受本协议,在点击前请您再次确认已知悉并完全理解本协议的全部内容。



隐私政策

       紫慧网(以下或称“我们”)注重保护用户个人信息及个人隐私。本隐私政策包含我们收集、处理、存储、使用、共享和保护用户(“您”)个人信息(以下或称“信息”)的有关条款。我们希望通过本隐私政策向您清晰地介绍我们对您个人信息的处理方式,因此我们建议您完整地阅读本隐私政策,以帮助您了解维护自己隐私权的方式。 如您对本隐私政策有任何疑问,您可以通过我们公布的联系方式与我们联系。 如果您不同意本隐私政策的任何内容,您应立即停止使用我们服务。当您使用我们提供的任一服务时,即表示您已同意我们按照本隐私政策来收集、处理、存储、使用、共享和保护您的个人信息。
       一. 适用范围
       本隐私政策适用于紫慧网网站提供的所有服务(以下称“服务”或“我们的服务”),您访问紫慧网网站及/或登陆相关客户端使用紫慧网提供的服务,均适用本隐私政策。
       本政策所称“紫慧网”包括但不限于紫慧网(域名为www.fjzhip.com)网站及客户端、以及相关微信公众号平台。
       本政策所称“紫慧网”是网站运营者福建紫慧知识产权运营有限公司及现有和/或未来设立的相关关联公司的单称或合称。
       我们所有的服务均适用本隐私政策。此外,针对某些特定服务,我们还将制定特定隐私政策,以便更具体地说明我们在该特定服务中如何收集、处理、存储、使用、共享和保护您的信息。该特定服务的隐私政策构成本隐私政策的一部分。如相关特定服务的隐私政策与本隐私政策有不一致之处,适用该特定服务的隐私政策。 
       本政策不适用于通过我们的服务而接入的其他第三方服务(“其他第三方”,包括但不限于您的交易相对方、任何第三方网站以及第三方服务提供者)收集的信息。我们对前述第三方使用您个人信息的行为及后果不承担任何责任。 请您注意,其他第三方可能有自己的隐私权保护政策;当您查看其他第三方创建的网页或使用其他第三方开发的应用程序时,可能会发现该网页或应用程序放置的Cookie或像素标签。这些Cookie或标签不受我们的控制,而且它们的使用不受本政策的约束。
       二. 我们如何收集您的个人信息
       我们收集信息是为了遵守法律法规的要求,向您提供更好以及更个性化的服务,并努力提高您的用户体验。 您向我们提供下述信息或使用我们的服务时,即表示您同意我们按照本政策规定收集信息。 我们收集信息的种类如下:
       1、您向我们提供的信息
       为了遵守法律法规的要求,以及向您提供更个性化、更便捷的服务,我们需要识别您的身份,当您注册我们的账户及您在使用我们的相关服务时,需要您填写、提交及/或以其他任何方式提供您的个人信息,包括但不限于您的姓名、性别、出生年月日、身份证号码、护照姓、护照名、护照号码、电话号码、电子邮箱、收货地址及相关附加信息(如您地址中的所在省份和城市、邮政编码等)、银行账户或其他支付工具的账户信息、账单信息(如您的信用卡号码、持卡人姓名及信用卡有效期等)、个人、车辆及行车信息等(如您的姓名、公司信息、车辆行驶证信息、驾驶证信息以及监督卡信息等)。
       您可以选择不提供某一或某些信息,但是这样可能使您无法使用我们的许多特色服务。请您理解,我们使用您提供的信息是为了更好的为您服务,以便完善我们的网站以及与您进行信息沟通。
       2、我们在您使用服务过程中获得的信息
       为了提高服务质量和用户体验,我们会留存您使用服务以及相关使用方式的信息,这类信息包括:
       (1)您的浏览器和计算机上的日志信息。在您访问我们网站或使用我们服务时,我们系统自动接收并记录的您的浏览器和计算机上的信息(包括但不限于您的IP地址、浏览器的类型、使用的语言、访问日期和时间、软硬件特征信息及您需求的网页记录等数据)。
       (2)您的位置信息。当您开启设备定位功能,下载或使用我们、关联方及合作伙伴开发的应用程序(例如紫慧网APP),或访问移动网页使用我们服务时,我们可能会读取您的位置(大多数移动设备将允许您关闭定位服务,具体方法建议您联系您的移动设备的服务商或生产商)。
       (3)您的设备信息。我们可能会读取您访问我们或使用我们服务时所使用的终端设备的信息,包括但不限于设备型号、设备识别码、操作系统、分辨率、电信运营商等。
       (4)您的搜索记录及需求服务。为了满足您的服务要求,和向您提供更加个性化的服务。我们可能会记录您访问我们或使用我们服务时所进行的搜索和其他操作、记录您的需求服务信息。
       除上述信息外,我们还可能为了提供服务及改进服务质量的合理需要而获得您的其他信息,包括但不限于您与我们的顾问团队联系时您提供的相关信息,您参与问卷调查时向我们发送的问卷答复信息,以及您与我们的关联方、我们合作伙伴之间互动时我们获得的相关信息。同时,为提高您使用我们提供的服务的安全性,更准确地预防钓鱼网站欺诈和木马病毒,我们可能会通过了解一些您的网络使用习惯、您常用的软件信息等手段来判断您账户的风险,并可能会记录一些我们认为有风险的链接(“URL”)。
       3、来自第三方的信息
       在您注册我们账户和使用服务过程中,经您授权我们可向关联方、合作伙伴及其他独立第三方来源获得关于您的个人信息。这些个人信息包括但不限于您的身份信息、行为信息、交易信息、设备信息等,我们会将此类信息汇总,用于帮助我们向您提供更好以及更加个性化的服务或更好地预防互联网欺诈。
       三. 我们如何使用您的个人信息
       为向您提供服务、提升我们的服务质量以及优化您的服务体验,我们会在符合法律规定或根据您授权的情况下使用您的个人信息,并主要用于下列用途:
       1、向您提供您使用的各项服务,并维护、改进这些服务。
       2、我们可能使用您的个人信息以验证身份,预防、发现、调查可能存在的欺诈、危害安全、非法或违反与我们或关联方协议、政策或规则的行为,以保护您、其他用户、我们或关联方的合法权益。
       3、我们可能会将来自某项服务的个人信息、交易信息与来自其他服务所获得的信息结合起来,进行综合统计、分析或加工等处理,以便为您提供更加个性化的服务。
       4、我们会对我们的服务使用情况进行统计,并可能会与公众或第三方分享这些统计信息,以展示我们的产品或服务的整体使用趋势。但这些统计信息不包含您的任何身份识别信息。
       5、让您参与有关我们产品及服务的调查。
       6、经您同意或授权的其他用途。
       四. 您共享的信息
       您可以通过我们的服务建立联系和相互分享。当您通过我们的服务创建交流、交易或分享时,您可以允许紫慧网访问您的电脑、手机或其他第三方社交平台的通讯录,从而使您通讯录中同样通过我们的服务开通分享功能的联系人,能够看到您在紫慧网上的交易信息、评价以及其他的内容。您还可以通过我们的服务邀请尚未开通分享功能的联系人开通该功能,从而使其可以看到您在紫慧网上的交易信息、评价以及其他的分享内容。
       公开信息是指您自愿公开分享的任何信息。任何人都可以在使用和未使用紫慧网期间查看或访问这些信息。        为使用紫慧网服务,可能存在您必须公开分享的信息。例如为构建诚信交易环境,您的信用评价信息需要被公开分享。请注意,您在使用我们服务时自愿共享的信息,可能会涉及您或他人的个人信息甚至个人敏感信息,请您更加谨慎地考虑,是否在使用我们的服务时共享甚至公开分享相关信息。
       五. 我们如何共享您的信息
       您的个人信息是我们为您提供服务的重要部分,我们会遵循法律规定对您的信息承担保密义务。 除以下情形外,我们不会将您的个人信息披露给第三方:
       1、获得您的同意或授权。
       2、根据法律法规的规定或行政、司法机构等有权机关的要求或者授权。
       3、出于实现“我们对您个人信息的使用”部分所述目的,或为履行我们在《用户使用协议》或本隐私政策中的义务和行使我们的权利,向我们的关联方、合作伙伴或代表我们履行某项职能的第三方(例如代表我们发出推送通知的通讯服务商等)分享您的个人信息。
       4、某些情况下,只有共享您的信息,才能提供您需要的服务,或处理您与他人的纠纷或争议。
       5、根据法律规定及合理商业习惯,在我们计划与其他公司合并或被其收购或进行其他资本市场活动(包括但不限于IPO,债券发行)时,以及其他情形下我们需要接受来自其他主体的尽职调查时,我们会把您的信息提供给必要的主体,但我们会通过和这些主体签署保密协议等方式要求其对您的个人信息采取合理的保密措施。
       6、您出现违反适用法律、法规规定或者违反您与我们签署的相关协议(包括在线签署的电子协议)或相关规则时需要向第三方披露的情形。
       7、为维护我们及关联方或其他我们用户的合法权益。
       随着我们业务的发展,我们及我们的关联方有可能进行合并、收购、资产转让或类似的交易,您的个人信息有可能作为此类交易的一部分而被转移。我们将在转移前通知您。
       六. 我们如何保护您个人信息的安全
       为保障您的信息安全,虽然没有一家网站能够保证绝对安全,但我们努力采取各种合理的物理、电子和管理方面的安全措施来保护您的个人信息,使您的个人信息不会被泄漏、毁损或者丢失。我们会按现有技术提供相应的安全措施来保护您的信息,提供合理的安全保障,我们将尽力确保您的信息不被泄漏、毁损或丢失。
       请注意,单独的设备信息、搜索关键词信息等是无法与任何特定个人直接建立联系的数据,不属于个人信息。如果我们将这类非个人信息与其他信息结合用于识别自然人个人身份,或者将其与个人信息结合使用,则在结合使用期间,此类设备信息将被视为个人信息。
       七. 我们如何存留您的信息
       我们收集的有关您的信息和资料将保存在我们和/或我们的关联公司的服务器上,这些信息和资料可能传送至您所在的国家、地区或收集信息和资料所在地并在该地被访问、存储和展示。
       我们将在实现本隐私政策中所述目的所必需的期间内保留您的个人信息,除非法律要求或允许在更长的期间内保留这些信息。
       八. 如何访问和更新您的个人信息
       您可以查阅或更新您提交给我们的个人信息。如果您认为紫慧网存在违反法律的规定收集、使用您个人信息的情形,您可以通过紫慧网顾问与我们取得联系。
       九. 如何使用Cookie 及网络 Beacon
       1、Cookie的使用
       Cookie是由网页服务器存放在您的访问设备上的文本文件。指定给您的Cookie 是唯一的,它只能被将Cookie发布给您的域中的Web服务器读取。
       我们使用 Cookie 来帮助您实现您的联机体验的个性化,使您在我们及关联方获得更轻松的访问体验。例如,Cookie 会帮助您在后续访问我们网站时调用您的信息,简化记录您填写个人信息(例如一键登录等)的流程;为您提供安全购物的偏好设置;帮助您优化对广告的选择与互动;保护您的数据安全等。
       您有权接受或拒绝Cookie。大多数浏览器会自动接受Cookie,但您通常可根据自己的需要来修改浏览器的设置以拒绝 Cookie。如果选择拒绝 Cookie,那么您可能无法完全体验所访问的我们网站或某些服务的全部功能。
       2、网络Beacon的使用
       我们网页上常会包含一些电子图象(称为"单像素" GIF 文件或 "网络 beacon"),它们可以帮助网站计算浏览网页的用户或访问某些cookie。我们使用网络beacon的方式有:
       (1)我们通过在我们网站上使用网络beacon,计算用户访问数量,并通过访问 cookie 辨认注册用户。
       (2)我们通过得到的cookie信息,可以在我们网站提供个性化服务。
       十. 如何保护未成年人的个人信息
我们非常重视对未成年人个人信息的保护。我们建议未成年人鼓励他们的父母或监护人阅读本隐私政策,并建议未成年人在提交个人信息之前寻求父母或监护人的同意和指导。我们根据适用法律的规定保护未成年人的个人信息。
       十一. 通知和修订
       为给您提供更好的服务,我们的业务将不时变化,本隐私政策也将随之调整。我们会通过在我们网站、移动端上发出更新版本或以其他方式提醒您相关内容的更新,也请您访问我们以便及时了解最新的隐私政策。在前述情况下,若您继续使用我们的服务,即表示同意接受修改后的本政策并受之约束。
同意并注册
会 员 登 录
紫慧专利登记交易网
  • 一种无缝重建TCP连接的系统及方法
    行业分类:H:电学
    专利类型:发明
    专利权人:厦门市美亚柏科信息股份有限公司
    专利价格:免费
    查看详情
  • 带电流过零区域控制的死区时间可变逆变控制方法及系统
    行业分类:H:电学
    专利类型:发明
    专利权人:厦门大学
    专利价格:免费
    查看详情
  • 太赫兹波段三重光子晶体分形缝隙阵列天线
    行业分类:
    专利类型:发明
    专利权人:厦门大学嘉庚学院
    专利价格:免费
    查看详情
  • 一种基于多指指纹的帐号登录方法、装置及设备
    行业分类:H:电学
    专利类型:发明
    专利权人:莆田市烛火信息技术有限公司
    专利价格:免费
    查看详情
  • 低漏电流、大阻值比的MgO纳米线RRAM及其制造方法
    行业分类:
    专利类型:发明
    专利权人:集美大学
    专利价格:免费
    查看详情
  • 一种碳材料负载的银铂纳米合金复合材料及其制备方法
    行业分类:H:电学
    专利类型:发明
    专利权人:龙岩学院
    专利价格:免费
    查看详情
  • 一种全息式企业服务总线
    行业分类:H:电学
    专利类型:发明
    专利权人:厦门市美亚柏科信息股份有限公司
    专利价格:免费
    查看详情
  • 一种基于节点连接关系的 DV-Hop 改进集中式定位方法
    行业分类:
    专利类型:发明
    专利权人:国网福建省电力有限公司信息通信分公司
    专利价格:采用入门费和提成费相结合的方式,其中入门费为 12750元,提成费按当年度合同产品净销售额的15%提取
    查看详情
  • 电磁信号屏蔽袋
    行业分类:H:电学
    专利类型:发明
    专利权人:厦门市美亚柏科信息股份有限公司
    专利价格:免费
    查看详情
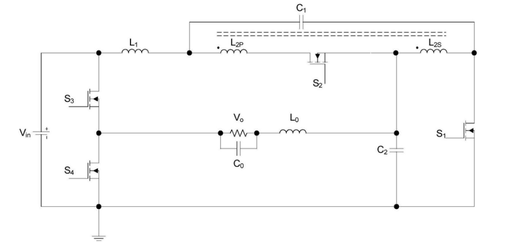
  • 光伏并网发电微型逆变器
    行业分类:
    专利类型:发明
    专利权人:厦门大学
    专利价格:入门费为3万元/年,提成费净销售额的3.5‰
    查看详情
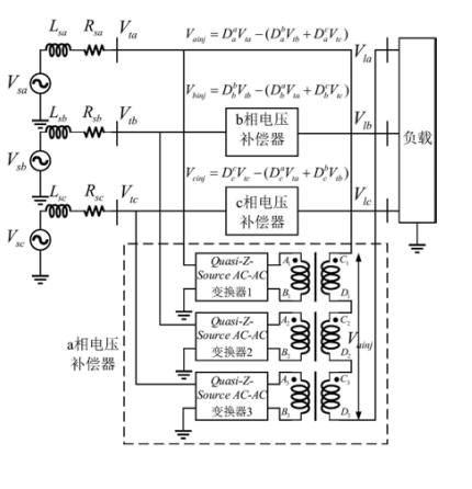
  • 一种动态电压恢复器及其智能控制方法
    行业分类:
    专利类型:发明
    专利权人:厦门大学
    专利价格:入门费为3万元/年,提成费净销售额的3.5‰
    查看详情
  • 循环渐变贴片仿生阵列超宽频带天线
    行业分类:
    专利类型:发明
    专利权人:厦门大学嘉庚学院
    专利价格:免费
    查看详情
紫慧专利登记交易网
1/27 页 共321条,每页12条
专利网站
电话:0591-87883703
地址:福建省福州市闽侯县上街镇乌龙江南大道30号清华紫光科技园-海峡科技研发区4号楼7层701-1
紫慧专利登记交易网